技術電話:17301986536加盟電話:13689528587

波紋管傳感器MK303
產品名稱:MK303波紋管式稱重傳感器
產品特點:MK303波紋管式稱重傳感器具有較高的性能和穩定性,抗過載、偏載能力強;采用不銹鋼、合金鋼波紋管焊接密封,可承受拉壓兩種受力型式
產品用途:MK303波紋管式稱重傳感器適用于各類包裝秤、配料秤、皮帶秤等稱重系統。
量程:100 N(10kg)、200 N(20kg)、300 N(30kg)、500 N(50kg)、1 kN(100kg)、2 kN(200kg)、3 kN(300kg)、5 kN(500kg)、10kN(1t)
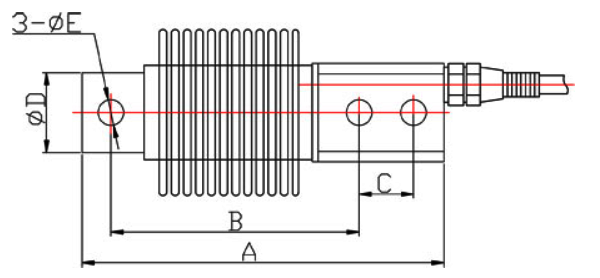
技術參數及外形尺寸:
序號 | 產品技術參數 | |
1 | 額定載荷 | 10kg-1t |
2 | 綜合精度 | C3 |
3 | 靈敏度 | 2.0±0.002%mV/V |
4 | 非線性(含滯后) | ±0.02%F.S |
5 | 重復性 | ±0.02%F.S |
6 | 蠕變(30分鐘) | ±0.02%F.S |
7 | 溫度對零點影響 | ±0.02%F.S/10℃ |
8 | 溫度對靈敏度影響 | ±0.02%F.S/10℃ |
9 | 零點平衡 | ±1%F.S |
10 | 輸入阻抗 | 400±10Ω |
11 | 輸出阻抗 | 350±2Ω |
12 | 絕緣阻抗 | ≥5000MΩ |
13 | 補償溫度范圍 | -20~60℃ |
14 | 適用溫度范圍 | -30~70℃ |
15 | 安全過載 | 120%F.S |
16 | 材質 | 合金鋼 |
17 | 激勵電壓 | 10V(DC) |
18 | 密封等級 | IP67 |
29 | 接線方式 | 紅……Exc+(輸入正) 黑……Exc-(輸入負) 綠……Sig+(輸出正) 白……Sig-(輸出負) |

型號 | 量程(kN) | 量程(kg) | A | B | C | D | E |
| MK303 | 0.1-5 | 10-500 | 123 | 82 | 18 | 26 | 8.5 |
7-10 | 700-1000 | 210 | 133 | 40 | 36 | 13 |
密克傳感器(深圳)有限公司是傳感器源頭生產廠家,致力于測力傳感器的研發生產。產品達百余種,廣泛應用于各種工業自動化、機器人、化工、食品、冶金以及醫療等新型和智能化高端領域。按結構分有輪輻式傳感器,S型傳感器,波紋管傳感器,法蘭盤傳感器,柱式傳感器,扭矩傳感器,平行梁傳感器,拉力傳感器等等,按功能應用場景分有試驗機專用傳感器,攪拌站傳感器,稱重傳感器,包裝機傳感器,壓裝機傳感器,價格美麗,可定制。
密克斯生產的MK303波紋管式稱重傳感器適用于各類包裝秤、配料秤、皮帶秤等稱重系統。
