技術電話:17301986536加盟電話:13689528587

輪輻式傳感器MK106-T
產品特點:MK106-T內螺紋輪輻式測力傳感器采用低截面的緊湊設計,合金鋼無電解鍍鎳處理,具有高輸出小變形,偏心加載補償等特點。
產品用途:MK106-T內螺紋輪輻式測力傳感器適用于試驗機等力量測量。
量程:600 kN(60t)、1000 kN(100t)
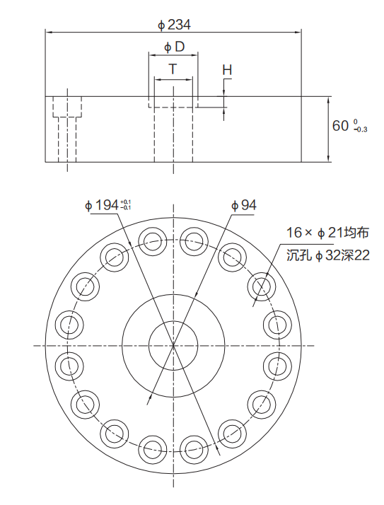
技術參數及外形尺寸:
序號 | 產品技術參數 | |
1 | 額定載荷 | 60-100t |
2 | 綜合精度 | 0.05;0.1%F.S |
3 | 靈敏度 | 3.0mV/V |
4 | 零點輸出 | ≤0.1%F.S |
5 | 輸入阻抗 | 770±20Ω |
6 | 輸出阻抗 | 701±3Ω |
7 | 絕緣阻抗 | ≥5000MΩ |
8 | 補償溫度范圍 | -10~40℃ |
9 | 適用溫度范圍 | -30~70℃ |
10 | 安全過載 | 120%F.S |
| ||
12 | 材質 | 合金鋼 |
13 | 激勵電壓 | 10V(DC) |
14 | 密封等級 | IP67 |
15 | 電纜 | 6m/10m |
16 | 接線方式 | 紅……E+(電源正) 黑……E-(電源負) 綠……S+(信號正) 白……S-(信號負) |

型號 | 量程(kN) | 量程(t) | D | T | H |
MK106-T1 | 600,1000 | 60,100 | --- | M64×3 | --- |
MK106-T2 | 600,1000 | 60,100 | --- | Φ35 | --- |
MK106-T3 | 600,1000 | 60,100 | 45 | Φ35 | 10 |
密克傳感器(深圳)有限公司是傳感器源頭生產廠家,致力于測力傳感器的研發生產。產品達百余種,廣泛應用于各種工業自動化、機器人、化工、食品、冶金以及醫療等新型和智能化高端領域。按結構分有輪輻式傳感器,S型傳感器,波紋管傳感器,法蘭盤傳感器,柱式傳感器,扭矩傳感器,平行梁傳感器,拉力傳感器等等,按功能應用場景分有試驗機專用傳感器,攪拌站傳感器,稱重傳感器,包裝機傳感器,壓裝機傳感器,價格美麗,可定制。
密克斯生產的MK106-T內螺紋輪輻式測力傳感器適用于試驗機等力量測量。
