技術電話:17301986536加盟電話:13689528587

輪輻式傳感器MK114
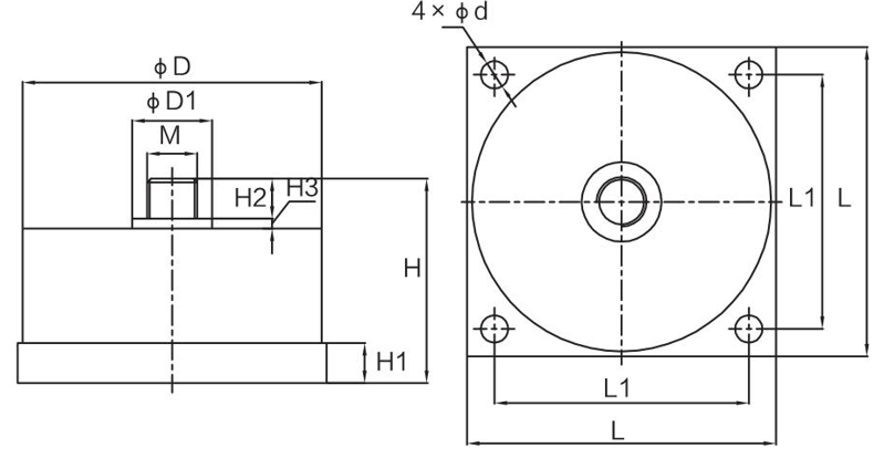
MK114方座式輪輻式測力傳感器(方底螺紋)
產品特點:MK114方座式輪輻式測力傳感器高度低,鋼性好,精度高,抗偏載能力強。
產品用途:MK114方座輪輻式測力傳感器適用于皮帶秤,料斗秤,倉儲秤,料罐,材料力學試驗機,勞保安全檢測設備等。
量程:2kN(200kg)、5kN(500kg)、10kN(1t)、20kN(2t)、50 kN(5t)、70 kN(7t)、100 kN(10t)、120 kN(12t)、150 kN(15t)、200 kN(20t) 、250 kN(25t)、300 kN(30t)
技術參數及外形尺寸:
序號 | 產品技術參數 | |
1 | 額定載荷 | 2kN-300kN |
2 | 綜合精度 | 0.05/0.1%F.S |
3 | 靈敏度 | 1.5-2.0mV/V |
4 | 非線性 | ≦0.05/0.1%F.S |
5 | 重復性 | ≦0.05%F.S |
6 | 滯后 | ≦0.05/0.1%F.S |
7 | 輸入阻抗 | 380Ω或760Ω |
8 | 輸出阻抗 | 350Ω或700Ω |
9 | 絕緣阻抗 | ≥2000MΩ |
10 | 零點溫度影響 | <0.05%F.S/10℃ |
11 | 輸出溫度影響 | <0.05%F.S/10℃ |
12 | 適用溫度范圍 | -30~70℃ |
13 | 安全過載 | 120%F.S |
14 | 激勵電壓 | 10V(DC/AC) |
15 | 接線方式 | 紅……E+(輸入正) 黑……E-(輸入負) 綠……S+(輸出正) 白……S-(輸出負) |


密克傳感器(深圳)有限公司是傳感器源頭生產廠家,致力于測力傳感器的研發生產。產品達百余種,廣泛應用于各種工業自動化、機器人、化工、食品、冶金以及醫療等新型和智能化高端領域。按結構分有輪輻式傳感器,S型傳感器,波紋管傳感器,法蘭盤傳感器,柱式傳感器,扭矩傳感器,平行梁傳感器,拉力傳感器等等,按功能應用場景分有試驗機專用傳感器,攪拌站傳感器,稱重傳感器,包裝機傳感器,壓裝機傳感器,價格美麗,可定制。
密克斯生產的MK114方座輪輻式測力傳感器適用于皮帶秤,料斗秤,倉儲秤,料罐,材料力學試驗機,勞保安全檢測設備等。
